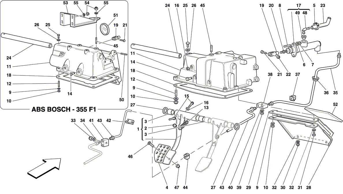
クラッチリリース (右ハンドル用)
←前  目次  次→

このページの 番のパーツを、数量個で